原森源家具149G限量版活动家具图纸库升级更新版
事半功倍的酒店活动家具设计图纸,酒店家具设计师请及时购买!

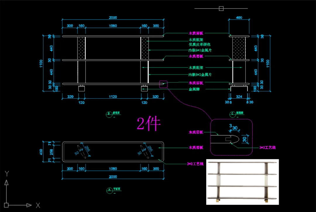
《书架类:酒店活动家具设计图纸96张》,图片配套CAD图纸,资料来源于:森源厂设计部,配套CAD图纸,文件格式:Dwg,AutoCAD2012软件以上版本可打开,图片文件格式:JPG,电脑图片软件可打开
《书架类:酒店活动家具设计图纸96张》部分资料










































版面有限,只展示前面一小部分书架类的CAD图纸+配套图片文件资料!
《书架类:酒店活动家具设计图纸96张》图片目录

版面有限,只展示前面一小部分书架类的配套图片!图片与CAD图纸是配套的!
以上《书架类》图片配套CAD图纸共计96张
快速出图,是酒店家具设计师出图的好帮手
《书架类:酒店活动家具设计图纸96张》数量统计

森源厂:酒店活动家具设计图纸库
原森源家具149G限量版活动家具图纸库升级更新版
事半功倍的酒店活动家具设计图纸,酒店家具设计师请及时购买!

如何购买 扫微信二维码

或手动加李工微信:duuong123
图纸版权免责声明:本网站家具图纸皆属于原公司版权所有,本网站不承担任何责任。如有侵权,请联系我们做删除处理!高定图纸资源仅供学习与参考,请勿用于商业用途,否则产生的一切后果将由您自己承担!
『高定图纸联盟』高定木作品牌图纸及高定木作培训课程渠道商,官方网址:www.tuzhilv.com
『高定图纸联盟』将会持续永久性的更新高定图纸资源截至今日:『高定图纸联盟』终身VIP会员俱乐部成员数:212位,欢迎您的加入!

购买会员请加李工微信:duuong123
